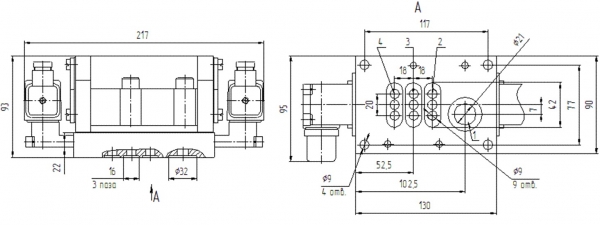
| Исполнение |
Четырехлинейный, двухпозиционный с двухсторонним электропневматическим управлением и с ручным дублированием. Конструкция распределительного устройства: плоский притёртый золотник |
| Условный проход, мм |
20 |
| Тип присоединения |
Стыковое нижнее |
| Номинальное давление, МПа |
0,63 |
| Минимальное давление, МПа, не более |
0,25 |
| Время срабатывания при давлении 0,4 МПа, с, не более |
0,2 |
| Максимальное число срабатываний, в мин., не менее |
250 |
| Номинальное напряжение питания постоянного тока, В |
12, 24, 48, 110 |
| Номинальное напряжение питания переменного тока частотой 50 Гц, В |
24, 36, 48, 110, 220, 380 |
| Номинальная потребляемая мощность постоянного тока, Вт, не более |
7 |
| Номинальная потребляемая мощность переменного тока 50 Гц, ВА, не более |
9 |
| Пропускная способность, Kv*, м3/ч, не менее |
5,0 |
| Масса кг, не более |
2,7 |
| Примечание |
*Kv определяется по ГОСТ 14691-69 |
 
|
|