Новости

Голосование

Компания ООО "Омснаб.РФ" доставляет гидравлическое и пневматическое оборудование в регионы:

Москва
Санкт-Петербург
Новосибирск
Екатеринбург
Нижний Новгород
Казань
Самара
Омск
Челябинск
Ростов-на-Дону
Уфа
Волгоград
Красноярск
Пермь
Воронеж
Саратов
Краснодар
Тольятти
Тюмень
Ижевск
Барнаул
Ульяновск
Иркутск
Владивосток
Ярославль
Хабаровск
Махачкала
Оренбург
Новокузнецк
Томск
Кемерово
Рязань
Астрахань
Пенза
Набережные Челны
Липецк
Тула
Киров
Чебоксары
Калининград
Курск
Улан-Удэ
Ставрополь
Магнитогорск
Брянск
Иваново
Тверь
Белгород
Сочи
Нижний Тагил
Архангельск

Алма-Ата
Астана
Шымкент
Караганда
Актобе
Тараз
Павлодар
Семей
Усть-Каменогорск
Уральск
Кызылорда
Костанай
Атырау
Петропавловск
Темиртау
Актау
Туркестан
Кокшетау
Экибастуз
Талдыкорган
Рудный
Жанаозен

Версия для печати Версия для печати

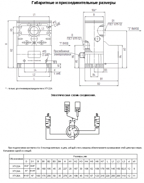
Пневмораспределитель У7126А

Оценить
Исполнение Трехлинейный, двухпозиционный, сдвоенный с пневматической блокировкой и пневматическим возвратом. Конструкция распределительного устройства: клапанного типа
Условный проход, мм 40
Тип присоединения Резьбовое, с конической присоединительной резьбой в корпусе распределителя
Присоединение пневмолиний, «вход», дюйм К1?
Присоединение пневмолиний, «выход», дюйм К2
Номинальное давление, МПа 1.0
Минимальное  давление, МПа, не более 0.25
Максимальное число срабатываний, в мин., не менее 70
Остаточное давл. на выходе при опоражнивании пневмомагистрали через одну секцию распределителя при давл. 0,6 МПа, МПа, не более 0.02
Время включения при давлении 0.63 МПа, с, не более 0.06
Время выключения при давлении 0.63 МПа, с, не более 0.08
Напряжение, В 24, 110
 Род тока постоянный
Пропускная способность пневматической линии «вход» («1») – «выход» («2»), Kv*, м3/ч, не менее 22
Пропускная способность пневматической линии «выход» («2») – «атмосфера» («3»), Kv*, м3/ч, не менее 27
Масса, кг, не более 14.5
Примечание *Kv определяется по ГОСТ 14691-69

Есть вопросы?

Вы можете задать нам вопрос(ы) с помощью следующей формы.

Имя:

Email

Пожалуйста, сформулируйте Ваши вопросы относительно Пневмораспределитель У7126А:


Введите число, изображенное на рисунке
code

pageTracker._initData(); pageTracker._trackPageview();