Новости

Голосование

Компания ООО "Омснаб.РФ" доставляет гидравлическое и пневматическое оборудование в регионы:

Москва
Санкт-Петербург
Новосибирск
Екатеринбург
Нижний Новгород
Казань
Самара
Омск
Челябинск
Ростов-на-Дону
Уфа
Волгоград
Красноярск
Пермь
Воронеж
Саратов
Краснодар
Тольятти
Тюмень
Ижевск
Барнаул
Ульяновск
Иркутск
Владивосток
Ярославль
Хабаровск
Махачкала
Оренбург
Новокузнецк
Томск
Кемерово
Рязань
Астрахань
Пенза
Набережные Челны
Липецк
Тула
Киров
Чебоксары
Калининград
Курск
Улан-Удэ
Ставрополь
Магнитогорск
Брянск
Иваново
Тверь
Белгород
Сочи
Нижний Тагил
Архангельск

Алма-Ата
Астана
Шымкент
Караганда
Актобе
Тараз
Павлодар
Семей
Усть-Каменогорск
Уральск
Кызылорда
Костанай
Атырау
Петропавловск
Темиртау
Актау
Туркестан
Кокшетау
Экибастуз
Талдыкорган
Рудный
Жанаозен

Версия для печати Версия для печати

Пневмораспределитель 104.22.6.23/4.LC, 104.32.6.23/3.LC, 104.22.6.23/2.PC, 104.32.6.23/1.PC, 104.22.6.23/4.LA и т.д

Оценить

Пневмораспределитель 104.22.6.23/4.LC, 104.32.6.23/3.LC, 104.22.6.23/2.PC, 104.32.6.23/1.PC, 104.22.6.23/4.LA и т.д

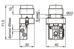
     2/2 - 3/2 Кнопка высокая с пружинным возвратом двухлинейная двухпозиционная и трёхлинейная двухпозиционная имеет массу 50 г и усилие переключение кнопки 18 Н. Варианты исполнения присоединения сбоку или снизу и схемы переключений 2/2 и 3/2 приведены на следующих схемах:

     Расшифровка маркировки:

104 . ХХ . 6.23/X . Х   Х  
       
Исполнение: C=нормально закрытый, НЗ, А=нормально открытый, НО
Вид присоединения: L=сбоку, P=справа
Кнопка высокая - пружинный возврат/ цвет кнопки: 1=красная, 2=чёрная, 3=зелёная, 4=жёлтая
Тип: 22 = 2-х линейный, 32 = 3-х линейный
Серия распределителей

     Примеры условного обозначения:

Пневмораспределитель 104.22.6.23/1.LC
Пневмораспределитель 104.32.6.23/2.LC
Пневмораспределитель 104.22.6.23/3.PC
Пневмораспределитель 104.32.6.23/4.PC
Пневмораспределитель 104.22.6.23/1.LA
Пневмораспределитель 104.32.6.23/2.LA
Пневмораспределитель 104.22.6.23/3.PA
Пневмораспределитель 104.32.6.23/4.PA

Есть вопросы?

Вы можете задать нам вопрос(ы) с помощью следующей формы.

Имя:

Email

Пожалуйста, сформулируйте Ваши вопросы относительно Пневмораспределитель 104.22.6.23/4.LC, 104.32.6.23/3.LC, 104.22.6.23/2.PC, 104.32.6.23/1.PC, 104.22.6.23/4.LA и т.д:


Введите число, изображенное на рисунке
code

pageTracker._initData(); pageTracker._trackPageview();