Новости

Голосование

Компания ООО "Омснаб.РФ" доставляет гидравлическое и пневматическое оборудование в регионы:

Москва
Санкт-Петербург
Новосибирск
Екатеринбург
Нижний Новгород
Казань
Самара
Омск
Челябинск
Ростов-на-Дону
Уфа
Волгоград
Красноярск
Пермь
Воронеж
Саратов
Краснодар
Тольятти
Тюмень
Ижевск
Барнаул
Ульяновск
Иркутск
Владивосток
Ярославль
Хабаровск
Махачкала
Оренбург
Новокузнецк
Томск
Кемерово
Рязань
Астрахань
Пенза
Набережные Челны
Липецк
Тула
Киров
Чебоксары
Калининград
Курск
Улан-Удэ
Ставрополь
Магнитогорск
Брянск
Иваново
Тверь
Белгород
Сочи
Нижний Тагил
Архангельск

Алма-Ата
Астана
Шымкент
Караганда
Актобе
Тараз
Павлодар
Семей
Усть-Каменогорск
Уральск
Кызылорда
Костанай
Атырау
Петропавловск
Темиртау
Актау
Туркестан
Кокшетау
Экибастуз
Талдыкорган
Рудный
Жанаозен

Версия для печати Версия для печати

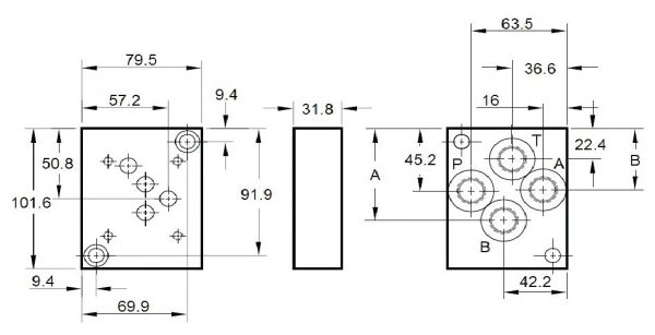
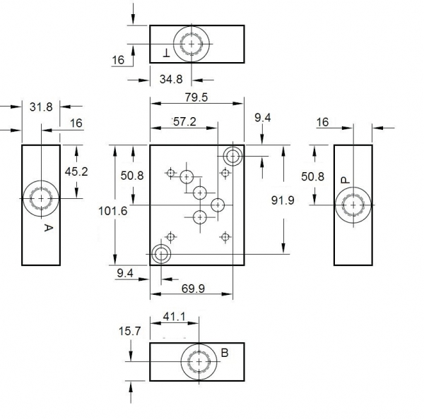
Плита монтажная ДУ10 для ВЕ10

 
 
Голосов: 13
Оценить

Материал плиты: алюминий, сталь.
Рабочее давление: max 350 bar.
Условный проход: Ду=10, сетор 05.
Исполнение: выход в бок.
Присоеденеие: 1/2 дюйма

Плита монтажная  ДУ6 для гидрораспределителя ВЕ 6 -1900руб

Плита монтажная  ДУ10 для гидрораспределителя ВЕ 10-2100руб 

Плита монтажная  ДУ16 для гидрораспределителя ВЕХ 16  -4200руб  

Плита монтажная одноместная  для клапана МКПВ  -4200руб   


Плиты монтажные  предназначены для крепления клапанов и распределителей модульного монтажа. Плиты производятся в двух исполнениях: 

1. ДУ6 и ДУ10 с сечением 6 мм и 10 мм,  резьбовые отверстия на одной стороне в основании плиты. 

2. ДУ6 и ДУ10 с сечением 6 мм и 10 мм,  резьбовые отверстия на четырех боковых сторон плиты.   

 

  Z является резьба NPT, это коническая

  G является BSP резьба, это цилиндрическая 


Резьба трубная коническая, R (BSP)Трубная коническая резьба, применяемая в конических резьбовых соединениях,а также в соединениях наружной конической резьбы с внутренней цилиндрической резьбой по ГОСТ 6357-81. Основана на резьбе BSW (англ. British Standard Whitworth) и совместима с резьбой BSP (англ. British standard pipe tapered thread), именуемаяBSPT (уплотнение достигается за счет смятия резьбы в месте резьбового соединения при ввёртывании штуцера).

Дюймовая резьба с конусностью 1:16 (угол конуса ?=3°34'48"). Угол профиля при вершине 55°.
Условное обозначение: буква R для наружной резьбы и Rc для внутренней (ГОСТ 6211-81. Основные нормы взаимозаменяемости. Резьба трубная коническая.), числовое значение номинального диаметра резьбы в дюймах (inch), буквы LH для левой резьбы. Например, резьба с номинальным диаметром 1 1/4 - обозначается как R 1 1/4.
Обозначение размера резьбы, шаги и номинальные значения наружного, среднего и внутреннего диаметров резьбы трубной конической (R), мм

Есть вопросы?

Вы можете задать нам вопрос(ы) с помощью следующей формы.

Имя:

Email

Пожалуйста, сформулируйте Ваши вопросы относительно Плита монтажная ДУ10 для ВЕ10:


Введите число, изображенное на рисунке
code

pageTracker._initData(); pageTracker._trackPageview();